Каталог
Каталог Написать в WhatsApp
Мотоэкипировка

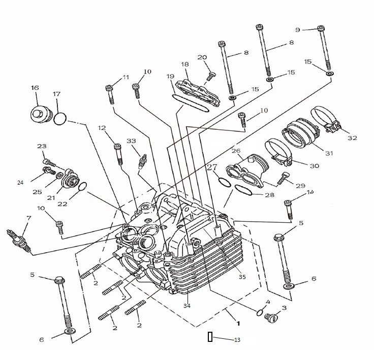
Головка блока цилиндра КВАДРОЦИКЛА STELS UTV 700 H

Головка блока цилиндра КВАДРОЦИКЛА STELS UTV 700 H в Нижнем Новгороде: актуальный каталог, цены, фото, описание. Купите головка блока цилиндра квадроцикла stels utv 700 h в кредит – оформите заявку онлайн за 1 минуту!

Оригинальные запчасти

Артикул НАИМЕНОВАНИЕ Кол-во деталей в узле Примечание Наличие Цена Аналоги Фото
1 LU012793 Головка блока цилиндра c крышкой, алюмин.сплав 12000-F39-0000

Под заказ

1

Под заказ

уточнить

45 850

Купить
2 LU027493 Винт-заглушка смотрового отверстия, сталь 12371-F39-0000

Под заказ

1

Под заказ

уточнить

Купить
3 LU027492 Кольцо уплотнительное 13.4x2.35мм, резина 91217-F39-0000

Под заказ

1

Под заказ

уточнить

240

Купить
4 LU027495 Cu Washer Φ10×Φ20×2 90604-F39-0000

Под заказ

4

Под заказ

уточнить

Купить
5 LU018894 Свеча зажигания DR8EA NGK 2.1.01.0570,33300-F11-0000

Под заказ

1

Под заказ

уточнить

910

показать аналоги Купить
6 LU027497 Винт с цилиндр.головк.и шестигр.шлицем M6х1.0х115мм, сталь 70.1-6-115

Под заказ

1

Под заказ

уточнить

220

Купить
7 LU027498 Винт с цилиндр.головк.и шестигр.шлицем M6х1.0х 40мм, сталь 70.1-6-40,205064044

Под заказ

2

Под заказ

уточнить

140

Купить
8 LU027500 Винт с цилиндр.головк.и шестигр.шлицем M6х1.0х 55мм, сталь 9132-06-055, GB/T70.1-2000

Под заказ

7

Под заказ

уточнить

60

Купить
9 LU027505 Шайба 6.5х11.3х1.6мм, сталь 90602-F39-0000

Под заказ

3

Под заказ

уточнить

Купить
10 LU027041 Крышка клапанного механизма (впускн.клапана), алюмин.сплав 12361-F39-0000

Под заказ

1

Под заказ

уточнить

250

Купить
11 LU027509 Кольцо уплотнительное 71.5х3мм, резина 91202-F39-0000

Под заказ

1

Под заказ

уточнить

Купить
12 LU027088 Крышка распред.вала, алюмин.сплав 12211-F39-0000

Под заказ

1

Под заказ

уточнить

310

Купить
13 LU020140 Кольцо уплотнительное 18.7х.2.45мм, резина 91203-F39-0000

Под заказ

1

Под заказ

уточнить

170

Купить
14 LU022767 Шайба 6.2х15х1.7мм, алюм.сплав 90601-F11-0000,90601-F18-0000,90603-F39-0000

Под заказ

1

Под заказ

уточнить

20

Купить
15 LU027012 Коллектор впускной, алюмин.сплав 14800-F39-0001

Под заказ

1

Под заказ

уточнить

3 970

Купить
16 LU027510 Кольцо уплотнительное 32.4х2мм, резина 91204-F39-0000

Под заказ

1

Под заказ

уточнить

Купить
17 LU022777 Кольцо уплотнительное 43.5x2мм, резина 91221-F11-0000,91205-F39-0000

Под заказ

1

Под заказ

уточнить

50

Купить
18 LU027511 Хомут 50х70мм, пластик 90401-F39-0000

Под заказ

1

Под заказ

уточнить

Купить
19 LU027168 Патрубок впускной блока цилиндра, резина 14801-F39-0000

Под заказ

1

Под заказ

уточнить

2 560

Купить
20 LU027512 Хомут 40х50мм, пластик 90402-F39-0000

Под заказ

2

Под заказ

уточнить

Купить
21 LU027513 Датчик температуры сист.охлаждения 36540-F39-0000

Под заказ

1

Под заказ

уточнить

3 020

Купить
22 LU027514 Головка блока цилиндра, алюмин сплав 12001-F39-0000

Под заказ

1

Под заказ

уточнить

38 360

Купить
23 LU027515 Крышка головки блока цилиндров, алюмин сплав 12002-F39-0000

Под заказ

1

Под заказ

уточнить

6 860

Купить
24 LU032428 Головка блока цилиндра в сборе, алюмин сплав 12001-F39-0000A

Под заказ

1

Под заказ

уточнить

40 220

Купить

Нулевая цена не означает отсутствие товара. Оформите заказ, и менеджер сообщит вам цену и наличие товара, предварительно запросив их у поставщика

Главная Магазины
Корзина0
Профиль